Automated Focus System: CRISP
This automated focus system is designed to be able to mount onto any standard c-mount microscope port. It features the ability to maintain its ideal focus for days at a time, simple post-lock fine adjustment of focus, automated control, low noise electronics (which permits locking to glass/water interfaces), and much more. The CRISP Automated Focus System will work with most standard microscope objectives.
ASI’s CRISP Automated Focus System compensates for thermal drift & other factors that may cause the sample to drift out of focus over time. It also can be used to maintain a given focal point while scanning the sample in XY.

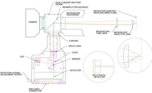
This image illustrates the CRISP Automated Focus System’s theory of operation. An image of a mask illuminated with an IR LED is projected into a sample plane. Only one half of the objective pupil is illuminated. This means that the point spread function of the objective is highly skewed, so that the reflected image of the mask will move laterally as focus is changed. CRISP detects this lateral motion of the LED image to obtain a focus error that is used to close the focus positioning loop.